派沃爾 歐儀----襯氟法蘭蝶閥
產品介紹技術參數
產品名稱:襯氟法蘭蝶閥
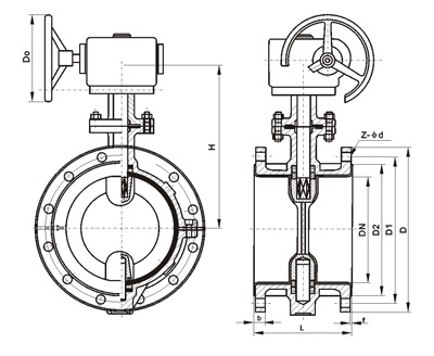
結構示意圖

設計制造標準

主要特點及用途
1、設計新穎、合理、結構獨特、重量輕、操作方便、啟閉迅速。
2、由扭矩產生彈性密封。
3、密封部位可調節更換,密封性能可靠等特點。
4、驅動方式渦輪傳動、電動、氣動可選。
基本型號
公稱壓力LIPN0.6-1.6MPa 公稱通徑DN50-1200mm
| 手 動 | D41F/P (半襯) | 蝸 輪 轉 動 | D341F/P (半襯) |
| D41F4 (全襯里) | D341F4 (全襯里) | ||
| D41F46 (全襯里) | D341F46 (全襯里) | ||
| 氣 動 | D641F/P (半襯) | 電 動 | D941F/P (半襯) |
| D641F4 (全襯里) | D941F4 (全襯里) | ||
| D641F46 (全襯里) | D941F46 (全襯里) |
技術參數
| 公稱通徑 DN(mm) | 標準值 | 參考值 | |||||||
| L | D | D1 | D2 | f | Z-Φd | Do | H | Kg | |
| PN1.0MPa | |||||||||
| 50 | 108 | 165 | 125 | 100 | 3 | 4-Φ18 | 200 | 200 | 13.5 |
| 65 | 112 | 185 | 145 | 120 | 3 | 4-Φ18 | 230 | 220 | 15 |
| 80 | 114 | 200 | 160 | 135 | 3 | 4-Φ18 | 230 | 230 | 19 |
| 100 | 127 | 220 | 180 | 155 | 3 | 8-Φ18 | 280 | 240 | 22 |
| 125 | 140 | 250 | 210 | 185 | 3 | 8-Φ18 | 280 | 255 | 27 |
| 150 | 140 | 285 | 240 | 210 | 3 | 8-Φ23 | 360 | 285 | 39 |
| 200 | 152 | 340 | 295 | 265 | 3 | 8-Φ23 | 180* | 400 | 51 |
| 250 | 165 | 395 | 350 | 320 | 3.5 | 12-Φ23 | 200* | 420 | 76 |
| 300 | 178 | 445 | 400 | 368 | 3.5 | 12-Φ23 | 200* | 450 | 90 |
| 350 | 190 | 505 | 460 | 428 | 4 | 16-Φ23 | 240* | 475 | 122 |
| 400 | 216 | 565 | 515 | 482 | 4 | 16-Φ27 | 240* | 560 | 170 |
| 450 | 222 | 615 | 565 | 532 | 4 | 20-Φ27 | 300* | 600 | 225 |
| 500 | 229 | 670 | 620 | 585 | 5 | 20-Φ27 | 300* | 625 | 290 |
| 600 | 267 | 780 | 725 | 685 | 5 | 20-Φ30 | 350* | 690 | 360 |
| 700 | 292 | 895 | 840 | 800 | 5 | 24-Φ30 | 400* | 740 | 515 |
| 800 | 318 | 1015 | 950 | 905 | 5 | 24-Φ33 | 400* | 790 | 735 |
| 900 | 330 | 1115 | 1050 | 1005 | 5 | 28-Φ33 | 400* | 850 | 970 |
| 1000 | 410 | 1230 | 1160 | 1115 | 5 | 28-Φ36 | 400* | 950 | 1520 |
| 1200 | 470 | 1455 | 1380 | 1325 | 5 | 32-Φ39 | 400* | 1110 | 1760 |
| PN1.6MPa | |||||||||
| 50 | 108 | 165 | 125 | 100 | 3 | 4-Φ18 | 200 | 200 | 13.5 |
| 65 | 112 | 185 | 145 | 120 | 3 | 4-Φ18 | 230 | 220 | 15 |
| 80 | 114 | 200 | 160 | 135 | 3 | 8-Φ 18 | 230 | 230 | 19 |
| 100 | 127 | 220 | 180 | 155 | 3 | 8-Φ18 | 280 | 240 | 22 |
| 125 | 140 | 250 | 210 | 185 | 3 | 8-Φ18 | 280 | 255 | 27 |
| 150 | 140 | 285 | 240 | 210 | 3 | 8-Φ23 | 360 | 285 | 39 |
| 200 | 152 | 340 | 295 | 265 | 3 | 12-Φ23 | 180* | 400 | 54 |
| 250 | 165 | 405 | 355 | 320 | 3.5 | 12-Φ27 | 200* | 420 | 82 |
| 300 | 178 | 460 | 410 | 342 | 3.5 | 12-Φ27 | 200* | 450 | 102 |
| 350 | 190 | 520 | 480 | 435 | 4 | 16-Φ27 | 240* | 475 | 135 |
| 400 | 216 | 580 | 525 | 485 | 4 | 16-Φ30 | 240* | 560 | 186 |
| 450 | 222 | 640 | 585 | 545 | 4 | 20-Φ30 | 300* | 600 | 242 |
| 500 | 229 | 715 | 650 | 608 | 5 | 20-Φ33 | 300* | 625 | 315 |
| 600 | 267 | 840 | 770 | 718 | 5 | 24-Φ36 | 350* | 690 | 385 |
| 700 | 292 | 910 | 840 | 788 | 5 | 24-Φ36 | 400* | 740 | 547 |
| 800 | 318 | 1025 | 950 | 898 | 5 | 24-Φ39 | 400* | 790 | 765 |
| 900 | 330 | 1125 | 1050 | 998 | 5 | 28-Φ39 | 400* | 850 | 1010 |
| 1000 | 410 | 1255 | 1170 | 1110 | 5 | 28-Φ42 | 400* | 950 | 1670 |
為了方便客戶安裝要求,本表給定的數值與蝶閥連接的標準、法蘭尺寸,簡圖中尺寸代號僅是其中一部分
如果您想對本產品的報價或進一步的資料,請填寫以下表格。
上一個:派沃爾 歐儀----襯氟閘閥
下一個:暫無下一篇
產品中心
新聞中心
聯系我們
熱線:
021-61250946 61250905 61250945
021-61250946 61250905 61250945
手機:13671770016
18521512599
